Mô tả

Bộ khối V có con lăn Insize 6888
- Độ chính xác khi lăn: 5 µm
- Độ song song của con lăn với mặt dưới: 12 µm
- CGoomnf 2 khối V mỗi bộ
- Phôi không bị hư hỏng bởi con lăn
- Phù hợp cho phôi có khối lượng lớn

| Mã đặt hàng | Kích thước (LxWxH) | Mã của con lăn | Đường kính con lăn | Dải của trục phôi | Tải trọng |
|---|---|---|---|---|---|
| 6888-1 | 150 x 60 x 100 mm | 16004 ZZ | 42 mm | 25-70 mm | 500 kg |
| 6888-2 | 150 x 80 x 100 mm | 6303 ZZ | 47 mm | 5-55 mm | 1000 kg |
| 6888-3 | 230 x 100 x 150 mm | 6306 ZZ | 72 mm | 70-200 mm | 1000 kg |

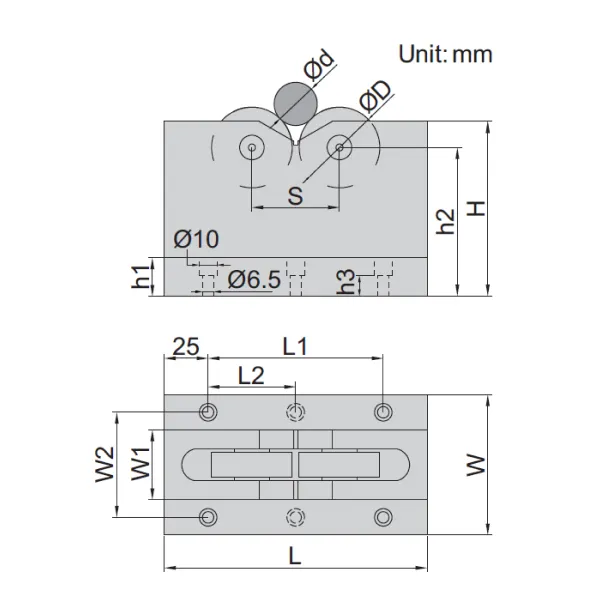
(mm)
| Mã đặt hàng | W1 | W2 | h1 | h2 | h3 | L1 | L2 | S |
|---|---|---|---|---|---|---|---|---|
| 6888-1 | 22 | 44 | 20 | 85 | 12 | 100 | – | 60 |
| 6888-2 | 40 | 60 | 22 | 85 | 12 | 100 | – | 50 |
| 6888-3 | 60 | 80 | 30 | 124 | 20 | 180 | 90 | 120 |

