Mô tả
Máy chiếu biên dạng Mitutoyo PJ-A3000
SERIES 302 – MÁY CHIẾU BIÊN DẠNG THẲNG ĐỨNG
TÍNH NĂNG
- PJ-A3000 là máy chiếu biên dạng có kích thước chiếu trung bình 11.8″ (300mm), mã sản phẩm này có tính linh hoạt cao và dễ dàng vận hành .
- Bộ đếm XY kỹ thuật số dễ đọc nằm gần màn hình chiếu để giảm thiểu hoạt động của mắt
- Màn hình thước đo góc đọc số tạo điều kiện thuận lợi cho việc đo góc.

PJ-A3010F-200

PJ-A3005D-50

PJ-A3005F-150

PJ-A3010F-100

PJ-A3010F-200

Công suất chiếu
D1: Đường kính phôi tối đa có đường cạnh có thể được tập trung vào tâm màn hình
D2: Đường kính phôi tối đa có đường cạnh có thể được lấy nét trên đường màn hình
D2: Đường kính phôi tối đa có đường cạnh có thể được lấy nét trên đường màn hình

| Độ phóng đại | |||||
|---|---|---|---|---|---|
| 10X | 20X | 50X | 100X | ||
| Phạm vi quan sát | ø31.5 | ø15.7 | ø6.3 | ø3.1 | |
| W | 66 (20) | 32.5 (2) | 12.6 | 5 | |
| H | mã sản phẩm -50* | 123.5 | 123.5 | 123.5 | 123.5 |
| mã sản phẩm -100 | 91 | 91 | 91 | 91 | |
| mã sản phẩm -150 | 103.5 | 103.5 | 103.5 | 103.5 | |
| mã sản phẩm 200 | 92.5 | 92.5 | 92.5 | 92.5 | |
| D1 | mã sản phẩm -50* | 224 (198) | 87 (61) | 27 | 10 |
| mã sản phẩm -100 | 182 | 87 (61) | 27 | 10 | |
| mã sản phẩm -150 | 207 (198) | 87 (61) | 27 | 10 | |
| mã sản phẩm 200 | 185 | 87 (61) | 27 | 10 | |
| D2 | 154 (120) | 69 (23) | 25 | 10 | |
( ): Khi sử dụng đèn chiếu sáng bề mặt
THÔNG SỐ KỸ THUẬT
| Mã sản phẩm | PJ-A3010F-200 | PJ-A3005F-150 | PJ-A3010F-100 | PJ-A3005D-50 | |
| Mã đặt hàng | 302-701A | 302-702A | 302-703A | 302-704A | |
| Hình ảnh chiếu | Hình ảnh đảo ngược | ||||
| Màn hình thước đo góc | Đường kính trung bình | 12.4″ / 315mm | |||
| Chất liệu màn hình | Kính mài mịn | ||||
| Đường tham khảo | Đường chữ thập | ||||
| Góc hiển thị (LED) | Độ phân giải: 1 ° hoặc 0,01 ° (có thể chuyển đổi), Phạm vi: ± 360 ° Chức năng: Chuyển đổi chế độ tuyệt đối/tăng dần, Cài đặt gốc 0 | ||||
| Ống kính chiếu | Phụ kiện tiêu chuẩn 10X (172-202) | ||||
| Độ phóng đại chính xác | Chiếu sáng đường viền | ± 0,1% hoặc nhỏ hơn | |||
| Chiếu sáng bề mặt | ±0.15% hoặc nhỏ hơn | ||||
| Chiếu sáng đường viền | Nguồn sáng | Bóng đèn halogen (24V, 150W) | |||
| Hệ quang học | Hệ thống viễn tâm | ||||
| Chức năng | Công tắc độ sáng 2 giai đoạn, bộ lọc hấp thụ nhiệt | ||||
| Chiếu sáng bề mặt | Nguồn sáng | Bóng đèn halogen (24V, 150W) | |||
| Hệ quang học | Chiếu sáng theo phương thẳng đứng với gương phản chiếu một nửa | ||||
| Dải đo XY | 8″ x 4″ (200 x 100mm) | 6″ x 2″ (150 x 50mm) | 4″x 4″ (100x100mm) | 2″ x 2″ (50 x 50mm) | |
| Độ phân giải | .0001″ / 0.001mm | .0001″ / 0.001mm | .0001″ / 0.001mm | ..0001 inch / 0,001mm | |
| Đơn vị đo lường | Thang đo tuyến tính tích hợp | Thang đo tuyến tính tích hợp | Thang đo tuyến tính tích hợp | Đầu mic điện tử | |
| Kích thước bàn đế | 14.96×9.84″ (380x250mm) | 11.02×5.98″ (280x152mm) | 9.84×9.84″ (250x250mm) | 5.98×5.98″ (152x152mm) | |
| Diện tích bàn đế làm việc | 10.47×6.69″ (266x170mm) | 7.24×3.23″ (184x82mm) | 5.6×5.6″ (142x142mm) | 3.23×3.23″ (82x82mm) | |
| Chiều cao tối đa của phôi | 3.64″ (92.5mm) | 4.07″ (103.5mm) | 3.58″ (91mm) | 4.86″ (123.5mm) | |
| Chức năng | ± Điều hướng, đầu ra SPC cài đặt về 0 | Cài đặt về 0, ± điều hướng, đầu ra SPC | Cài đặt về 0 , ± điều hướng, đầu ra SPC | ± Điều hướng, đầu ra SPC cài đặt về 0 | |
| Nguồn cung cấp | 120V AC, 50/60Hz | ||||
| Khối lượng | 308 lbs. (140kg) | 255 lbs. (116kg) | 246 lbs. (112kg) | 235 lbs. (107kg) | |
| Phụ kiện tiêu chuẩn | Bộ ống kính 10X, tấm chắn, dây nguồn, bóng đèn halogen, cầu chì, dây tiếp đất, cờ lê allen, vỏ vinyl | ||||
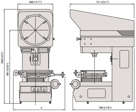
Đơn vị: mm

| Mã sản phẩm | PJ-A3005D-50 | PJ-A3010F-100 | PJ-A3005F-150 | PJ-A3010F-200 |
|---|---|---|---|---|
| A | 17.9″ / 455mm | 16.8″ / 427mm | 17.6″ / 446mm | 23.3″ / 593mm |
Phụ kiện tùy chọn
- 172-202:Bộ ống kính 10X (Phụ kiện tiêu chuẩn)
- 172-203:Bộ ống kính 20X
- 172-223:Ống kính 10X
- 172-224:Ống kính 20X
- 172-204:Ống kính 50X
- 172-207:Ống kính 100X
- 172-229:Gương chiếu sáng xiên cho thấu kính 10X
- 172-230:Gương chiếu sáng xiên cho thấu kính 20X
- 172-116:Thang tiêu chuẩn(50mm)
- 172-117:Thang tiêu chuẩn (2″)
- 172-118:Thang chia vạch (200mm)
- 172-161:Thang chia vạch (300mm)
- 172-119:Thang chia vạch (8″)
- 172-162:Thang chia vạch (12”)
- 172-160-2:Bộ lọc màu xanh lá cây (cho PJ-A3000, mã sản phẩm -50)
- 172-160-3:Bộ lọc màu xanh lá cây (cho mã sản phẩm -100, -150, -200)
- 512305:Bóng đèn halogen (24V, 150W)
- 383876:Vỏ Vinyl ( Phụ kiện tiêu chuẩn )
- 172-106:Bàn quay (đường kính làm việc: 66mm)
- 172-196:Bàn quay (đường kính làm việc: 100mm)
- 172-198:Bàn quay với tay lái cấp liệu tốt
(Đường kính làm việc: 4”/100mm) - 172-105:Điểm trọng tâm hỗ trợ xoay
(Đường kính phôi tối đa: 2.7”/70mm) - 172-197:Điểm trọng tâm hỗ trợ xoay
(Đường kính phôi tối đa: 3.1″/80mm) - 172-107:Giá đỡ có kẹp
- 172-378:Khối V có kẹp
(Đường kính phôi tối đa: 1”/25mm) - 172-317:Bộ chuyển đổi C
- 64PMI167Đế gá 22.4 x 20 x 32″ (WxDxH)
| Khả dụng | PJ-A3005D-50 | PJ-A3005F-150 | PJ-A3010F-100 PJ-A3010F-200 |
|---|---|---|---|
| 176-106 | ✓ | ✓ | |
| 176-196 | ✓ | ✓* | |
| 176-198 | ✓ | ✓* | |
| 176-105 | ✓ | ||
| 176-197 | ✓ | ✓* | |
| 176-107 | ✓ | ✓ | ✓* |
| 176-378 | ✓ | ✓ | ✓* |
*Bộ chuyển đổi C (176-317) được dùng cho máy PJ-3010F-200

QM-Data200
- 264-155A:Loại chân đế gá
- 264-156A:Loại gá đỡ cánh tay
2-D Đơn vi xử lí dữ liệu
(Tham khảo trang 1-25 để biết thêm chi tiết.)

- 332-151:Optoeye
Hệ thống phát hiện cạnh cho QM-Data200 - 12AAE671Phụ kiện của máy dò





