
Dưỡng đo trụ Insize 6312


- Dành cho cài đặt bằng không của panme đo trong ba điểm và dụng cụ đo lỗ
- Độ lệch (chênh lệch giữa kích thước được đặt hàng và kích thước được đánh dấu trên vòng cài đặt khi được cung cấp): Ví dụ: kích thước được đặt hàng là 010.125mm, kích thước được đánh dấu trên vòng cài đặt khi được cung cấp có thể là Ø10.127mm
- Theo DIN2250-1:2008
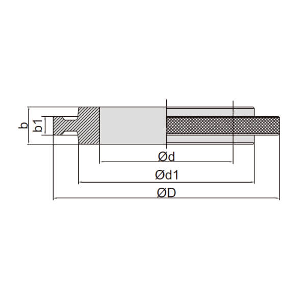
| Đường kính d** | b | D | Độ lệch | Độ tròn |
|---|---|---|---|---|
| Ø1.5-2.5 | 4 | 22 | ±10.0μm | 0.3μm |
| Ø2.5-3 | 5 | 22 | ±10.0μm | 0.3μm |
| Ø3-5 | 5 | 22 | ±10.0μm | 0.4μm |
| Ø5-10 | 8 | 32 | ±10.0μm | 0.4μm |
| Ø10-15 | 10 | 38 | ±10.0μm | 0.5μm |
| Ø15-18 | 12 | 45 | ±10.0μm | 0.5μm |
| Ø18-20 | 12 | 45 | ±10.0μm | 0.6μm |
| Ø20-25 | 14 | 53 | ±10.0μm | 0.6μm |
| Ø25-30 | 16 | 63 | ±10.0μm | 0.6μm |
| Ø30-32 | 16 | 63 | ±10.0μm | 0.7μm |
| Ø32-40 | 18 | 71 | ±10.0μm | 0.7μm |
| Ø40-50 | 20 | 85 | ±10.0μm | 0.7μm |
| Ø50-60 | 20 | 100 | ±10.0μm | 0.8μm |
| Ø60-70 | 24 | 112 | ±10.0μm | 0.8μm |
| Ø70-80 | 24 | 125 | ±10.0μm | 0.8μm |
| Ø80-90 | 24 | 140 | ±10.0μm | 1.0μm |
| Ø90-100 | 24 | 160 | ±10.0μm | 1.0μm |
** Ví dụ Ø3-5mm có nghĩa là Ø3mm <đường kính <105mm

| Đường kính d** | b | b1 | d1 | D | Độ lệch | Độ tròn |
|---|---|---|---|---|---|---|
| Ø100-110 | 28 | 14 | 132 | 170 | ±10.0μm | 1.0μm |
| Ø110-120 | 28 | 16 | 140 | 180 | ±10.0μm | 1.0μm |
| Ø120-130 | 28 | 16 | 150 | 190 | ±10.0μm | 1.2μm |
| Ø130-140 | 28 | 18 | 160 | 200 | ±10.0μm | 1.2μm |
| Ø140-150 | 28 | 18 | 170 | 212 | ±10.0μm | 1.2μm |
| Ø150-160 | 28 | 20 | 180 | 224 | ±10.0μm | 1.2μm |
| Ø160-170 | 32 | 20 | 190 | 236 | ±10.0μm | 1.2μm |
| Ø170-180 | 32 | 20 | 200 | 250 | ±10.0μm | 1.2μm |
| Ø180-190 | 32 | 22 | 212 | 265 | ±10.0μm | 1.4μm |
| Ø190-200 | 32 | 22 | 224 | 280 | ±10.0μm | 1.4μm |
| Ø200 – 212 | 32 | 22 | 236 | 300 | ±10.0μm | 1.4μm |
| Ø212-224 | 32 | 25 | 250 | 315 | ±10.0μm | 1.4μm |
| Ø224-236 | 36 | 25 | 265 | 335 | ±10.0μm | 1.4μm |
| Ø236-250 | 36 | 28 | 280 | 355 | ±10.0μm | 1.4μm |
| Ø250-265 | 36 | 28 | 300 | 375 | ±10.0μm | 1.6μm |
| Ø265-280 | 36 | 28 | 315 | 400 | ±10.0μm | 1.6μm |
| Ø280-300 | 36 | 32 | 335 | 425 | ±10.0μm | 1.6μm |
| Ø300-315 | 36 | 32 | 355 | 450 | ±10.0μm | 1.6μm |
(mm)
| Mã đặt hàng | Kích thước |
|---|---|
| 6312-1D5* | Ø1.5 |
| 6312-2* | Ø2 |
| 6312-2D5* | Ø2.5 |
| 6312-3* | Ø3 |
| 6312-3D5* | Ø3.5 |
| 6312-4* | Ø4 |
| 6312-4D5* | Ø4.5 |
| 6312-5* | Ø5 |
| 6312-5D5* | Ø5.5 |
| 6312-6* | Ø6 |
| 6312-6D5* | Ø6.5 |
| 6312-7* | Ø7 |
| 6312-7D5* | Ø7.5 |
| 6312-8* | Ø8 |
| 6312-8D5* | Ø8.5 |
| 6312-9* | Ø9 |
| 6312-9D5* | Ø9.5 |
| 6312-10* | Ø10 |
| 6312-10D5* | Ø10.5 |
| 6312-11* | Ø11 |
| 6312-11D5* | Ø11.5 |
| 6312-12* | Ø12 |
(mm)
| Mã đặt hàng | Kích thước |
|---|---|
| 6312-12D5* | Ø12.5 |
| 6312-13* | Ø13 |
| 6312-13D5* | Ø13.5 |
| 6312-14* | Ø14 |
| 6312-14D5* | Ø14.5 |
| 6312-15* | Ø15 |
| 6312-15D5* | Ø15.5 |
| 6312-16* | Ø16 |
| 6312-16D5* | Ø16.5 |
| 6312-17* | Ø17 |
| 6312-17D5* | Ø17.5 |
| 6312-18* | Ø18 |
| 6312-18D5* | Ø18.5 |
| 6312-19* | Ø19 |
| 6312-19D5* | Ø19.5 |
| 6312-20* | Ø20 |
| 6312-20D5* | Ø20.5 |
| 6312-21* | Ø21 |
| 6312-21D5* | Ø21.5 |
| 6312-22* | Ø22 |
| 6312-22D5* | Ø22.5 |
| 6312-23* | Ø23 |
(mm)
| Mã đặt hàng | Kích thước |
|---|---|
| 6312-23D5* | Ø23.5 |
| 6312-24* | Ø24 |
| 6312-24D5* | Ø24.5 |
| 6312-25* | Ø25 |
| 6312-25D5* | Ø25.5 |
| 6312-26* | Ø26 |
| 6312-26D5* | Ø26.5 |
| 6312-27* | Ø27 |
| 6312-27D5* | Ø27.5 |
| 6312-28* | Ø28 |
| 6312-28D5* | Ø28.5 |
| 6312-29* | Ø29 |
| 6312-30* | Ø30 |
| 6312-31* | Ø31 |
| 6312-32* | Ø32 |
| 6312-33* | Ø33 |
| 6312-34* | Ø34 |
| 6312-35* | Ø35 |
| 6312-36* | Ø36 |
| 6312-37* | Ø37 |
| 6312-38* | Ø38 |
(mm)
| Mã đặt hàng | Kích thước |
|---|---|
| 6312-39* | Ø39 |
| 6312-40* | Ø40 |
| 6312-41* | Ø41 |
| 6312-42* | Ø42 |
| 6312-43* | Ø43 |
| 6312-44* | Ø44 |
| 6312-45* | Ø45 |
| 6312-46* | Ø46 |
| 6312-47* | Ø47 |
| 6312-48* | Ø48 |
| 6312-49* | Ø49 |
| 6312-50* | Ø50 |
| 6312-55* | Ø55 |
| 6312-60* | Ø60 |
| 6312-62* | Ø62 |
| 6312-65* | Ø65 |
| 6312-70* | Ø70 |
| 6312-75* | Ø75 |
| 6312-80* | Ø80 |
| 6312-85* | Ø85 |
| 6312-87* | Ø87 |
| 6312-90* | Ø90 |
(mm)
| Mã đặt hàng | Kích thước |
|---|---|
| 6312-95* | Ø95 |
| 6312-100* | Ø100 |
| 6312-112D5* | Ø112.5 |
| 6312-125* | Ø125 |
| 6312-137D5* | 137.5 |
| 6312-150* | Ø150 |
| 6312-162D5* | Ø162.5 |
| 6312-175* | Ø175 |
| 6312-187D5* | Ø187.5 |
| 6312-200* | Ø200 |
| 6312-212D5* | Ø212.5 |
| 6312-225* | Ø225 |
| 6312-237D5* | Ø237.5 |
| 6312-250* | Ø250 |
| 6312-262D5* | Ø262.5 |
| 6312-275* | Ø275 |
| 6312-275D5* | Ø275.5 |
| 6312-300* | Ø300 |
* Cung cấp với giấy chứng nhận kiểm tra từ nhà sản xuất






