TECOTEC GROUP
Đồng hồ so cơ khí một vòng đo Peacock Z series 15ZL
GIÁ CHƯA BAO GỒM VAT:
2.030.000 đ
LIÊN HỆ ĐỂ CÓ GIÁ TỐT
Thanh toán an toàn
Hỗ trợ chuyên nghiệp
Đổi trả dễ dàng
Giao hàng tận nơi

Đồng hồ so cơ khí một vòng đo Peacock Z series 15ZL
- Đồng hồ so độ chính xác cao
- Ống bao trục đo làm bằng thép không gỉ
- Độ chia: 0.001 mm
- Dải đo: 0.16 mm
- Mặt đồng hồ: 80-0-80
- Sai số (1/10 vòng đo): 2 μm
- Sai số toàn dải đo: 5 μm
- Sai số đường hồi: 2 μm
- Độ lặp lại: 0.5 μm
- Lực đo dưới 1.5 N
- Đầu tiếp xúc XB-1
- Có gá lưng
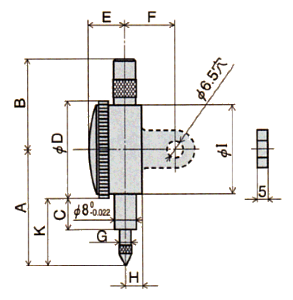
- Kích thước: A=60 mm; B=41.5 mm; C=18.5 mm; D=53 mm; E=14.5 mm; F=20mm; G=4 mm; H=6.5 mm; I=49 mm; K=33.5 mm

| TÍNH NĂNG | Đồng hồ so chân thẳng |
| TIÊU CHUẨN | Không chống nước |
| DẢI ĐO | 0.2 mm |
| ĐỘ CHIA | 0.001 mm |
| XUẤT XỨ | Nhật Bản |
| LOẠI SẢN PHẨM | Đồng hồ so cơ khí |
Cần tư vấn hoặc báo giá? Chuyên gia của chúng tôi phản hồi trong 2 giờ làm việc.
30 năm kinh nghiệm · Hơn 500 dòng thiết bị đo lường · Hỗ trợ kỹ thuật trọn vòng đời sản phẩm
1 / 1











