Mô tả

Đồng hồ so cơ khí một vòng đo Peacock Z series 147ZL
- Đồng hồ so độ chính xác cao
- Ống bao trục đo làm bằng thép không gỉ
- Mặt đồng hồ nhỏ φ36 mm
- Độ chia: 0.01 mm
- Dải đo: 1.0 mm
- Mặt đồng hồ: 50-0-50
- Sai số (1/10 vòng đo): 8 μm
- Sai số toàn dải đo: 15 μm
- Sai số đường hồi: 4 μm
- Độ lặp lại: 3 μm
- Lực đo dưới 1.4 N
- Đầu tiếp xúc XB-1
- Có gá lưng
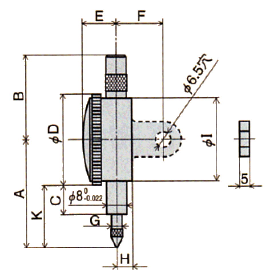
- Kích thước: A=41.1 mm; B=20 mm; C=9.7 mm; D=36 mm; E=13 mm; F=15 mm; G=3.5 mm; H=6.5 mm; I=32 mm; K=23.1 mm

