Mô tả
Đồng hồ so cơ khí độ chính xác cao MarCator

Thông số kỹ thuật
| Mã đặt hàng | 4311070 | 4311080 | |
|---|---|---|---|
| Loại sản phẩm | 810 SM | 810 SRM | |
| Dải đo | mm | 1 | 5 |
| Độ phân giải | mm | 0,001 | |
| Loại mặt đồng hồ | 0-100 | 0-100-0 | |
| Dải đo mỗi vòng quay | mm | 0,1 | 0,2 |
| Giới hạn sai số, Dải đo | µm | 4 | 10 |
| Giới hạn sai số, 1 vòng quay | µm | 3 | 5 |
| Giới hạn sai số, 1/2 vòng quay | µm | 2 | 3 |
| Giới hạn sai số, 1/10 vòng quay | µm | 1 | 2 |
| Độ lặp lại fw | µm | 1,5 | 3 |
| Sai số đường hồi fu | µm | 1,5 | 3 |
| Độ dịch chuyển | mm | 4 | 0,1 |
| Lực đo | N | 1.3-1.8 | 1,2-1,7 |
| Tiêu chuẩn | Tiêu chuẩn nhà máy | ||
| Chống sốc | • | ||
| Cần bảo vệ đầu gá | • | ||
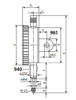
| Mã đặt hàng | a | b | c | d | e | f | g | Chuôi | Đường kính mặt đồng hồ |
|---|---|---|---|---|---|---|---|---|---|
| mm | mm | mm | mm | mm | mm | mm | mm | mm | |
| 4311070 | 58 | 23 | 8,5 | 52 | 111,5 | 22 | 15 | 8 | 50 |
| 4311080 | 58 | 23 | 7,5 | 52 | 112 | 22 | 15 | 8 | 50 |

Phụ kiện
| Mã đặt hàng | Tên sản phẩm | Loại sản phẩm |
|---|---|---|
| 4310103 | Bộ chuyển đổi ống lót (.375 inch / 8 mm) | 940 |
| 4373020 | Cần bảo vệ đầu gá (58 mm) | 955 |
| 4375010 | Gá lưng, thẳng đứng, cho 810 | 961 |
| 4375011 | Gá lưng, ngang, cho 810 | 962 |
- Mặt đồng hồ có độ tương phản cao
- Đánh dấu dung sai điều chỉnh
- Gia công bằng mạ C-rôm
- Cần bảo vệ đầu gá trên trục đo
- Cơ chế chính xác với hộp số truyền động bánh răng cố định
- Độ chính xác cao với sai số tối thiểu
- Trọn bộ bao gồm: Vỏ
