Mô tả
Đồng hồ so cơ khí độ chính xác cao MarCator


Thông số kỹ thuật
| Mã đặt hàng | 4311000 | 4311050 | 4311060 | 4321000 | 4329050 | |
|---|---|---|---|---|---|---|
| Loại sản phẩm | 810 S | 810 A | 810 AT | 810 SV | 810 AU | |
| Dải đo | mm | 10 | 40 | 10 | ||
| Độ phân giải | mm | 0,01 | ||||
| Loại mặt đồng hồ | 0-100 | 100-0 | 0-100 | 100-0 | ||
| Dải đo mỗi vòng quay | mm | 1 | ||||
| Giới hạn sai số, Dải đo | µm | 15 | 25 | 15 | ||
| Giới hạn sai số, 1 vòng quay | µm | 10 | 15 | 10 | ||
| Giới hạn sai số, 1/2 vòng quay | µm | 9 | 10 | 9 | ||
| Giới hạn sai số, 1/10 vòng quay | µm | 5 | ||||
| Độ lặp lại fw | µm | 3 | 5 | |||
| Sai số đường hồi fu | µm | 3 | 6 | 5 | ||
| Hành trình | mm | 0,1 | 0,8 | 0,1 | ||
| Lực đo | N | 0,7 – 1.3 | 0,8 – 1.8 | 1 – 1.8 | ||
| Tiêu chuẩn | DIN 878 | Tiêu chuẩn nhà máy | ||||
| Chống sốc | • | • | ||||
| Cần bảo vệ đầu gá | • | |||||
| Hướng Lực đo ngược | • | |||||
| Màu sắc mặt đồng hồ | trắng | |||||
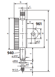
| Mã đặt hàng | a | b | c | d | e | f | g | Đường kính chuôi | Vạch chia đồng hồ |
|---|---|---|---|---|---|---|---|---|---|
| mm | mm | mm | mm | mm | mm | mm | mm | mm | |
| 4311000 | 58 | 23 | 7,5 | 52 | 111,5 | 21 | 16 | 8 | 50 |
| 4311050 | 58 | 23 | 7,5 | 52 | 112 | 22 | 15 | 8 | 50 |
| 4311060 | 58 | 23 | 5,5 | 52 | 112 | 22 | 15 | 8 | 50 |
| 4321000 | 58 | 24.2 | 8,7 | 52 | 169 | 22 | 45 | 8 | 50 |
| 4329050 | 58 | 23 | 7,5 | 52 | 111,5 | 22 | 4,5 | 8 | 50 |

Phụ kiện
| Mã đặt hàng | Tên sản phẩm | Loại sản phẩm |
|---|---|---|
| 4310103 | Bộ chuyển đổi ống lót (.375 inch / 8 mm) | 940 |
| 4373020 | Đầu gá chắn bùn (58 mm) | 955 |
| 4375010 | Gá lưng, thẳng đứng, cho 810 | 961 |
| 4375011 | Gá lưng, ngang, cho 810 | 962 |
- Chống sốc
- Mặt đồng hồ có độ tương phản cao
- Đánh dấu dung sai điều chỉnh
- Gia công bằng mạ C-rôm
- Cần bảo vệ đầu gá trên trục đo
- Cơ chế chính xác với hộp số truyền động bánh răng cố định
- Trọn bộ bao gồm: Vỏ
