TECOTEC GROUP
Đồng hồ đo lỗ cho lỗ kín Peacock CG Series CG-2
GIÁ CHƯA BAO GỒM VAT:
4.641.000 đ
Thanh toán an toàn
Hỗ trợ chuyên nghiệp
Đổi trả dễ dàng
Giao hàng tận nơi

Đồng hồ đo lỗ cho lỗ kín Peacock CG Series
Không nên sử dụng loại đồng hồ đo lỗ dòng CC cho các loại lỗ cụt (tham khảo hình bên dưới).
Trong trường hợp này, dòng CG với đế thiết kế đế riêng sẽ phù hợp cho ứng dụng này.
- Dải đo rộng………………..5μm hoặc nhỏ hơn
Sai số…………………………….2μm Hoặc nhỏ hơn
Độ chính xác lặp lại……2μm hoặc nhỏ hơn - Dải đo 0.5 mm (CG-01)
- Dải đo 1.2 mm (CG-1 to CG-6)

CG-01
-
Dải đo:10~18mm
- Loại cho lỗ kín
CG-01: Độ đo sâu là 5 mm trong trường hợp đo từ 10 đến 11 mm Từ 12 đến 18 mm, độ đo sâu là 3mm.

CG-1
-
Dải đo:18~35mm

CG-3
-
Dải đo:50~100mm
Thông số kỹ thuật
| Mã sản phẩm | Dải đo (mm) | Length below grip (mm) | Số lượng đầu dò (mm) | Độ dày vòng đệm (mm) |
|---|---|---|---|---|
| CG-01 | 10~ 18 | 100 | Khoảng 1 mm x 9 | 0.5 mm mỗi cái |
| CG-1 | 18~ 35 | 150 | Khoảng 2 mm x 9 | 0.5, 1 mm mỗi cái |
| CG-2 | 35~ 60 | 150 | Khoảng 5 mm x 6 | 0.5,1,2,3 mm mỗi cái |
| CG-3 | 50~100 | 150 | Khoảng 5 mm x 11 | 0.5,1,2,3 mm mỗi cái |
| CG-3C | 50~150 | 150 | Khoảng 5 mm x 11 | 0.5,1,2,3 mm mỗi cái |
| CG-4 | 100~160 | 250 | Khoảng 10 mm x 7 | 1,2,3,4 mm mỗi cái |
| CG-5 | 160~250 | 250 | Khoảng 10 mm x 10 | 1,2,3,4 mm mỗi cái |
| CG-6 | 250~400 | 400 | Khoảng 10 mm x 16 | 1,2,3,4 mm mỗi cái |
※Dồng hồ so không có sẵn và được cung cấp theo yêu cầu. Đồng hồ so tương thích là 17Z, 57B (0.01mm) và 15Z, 5F (0.001mm).
※ CG-3C có bao gồm ống nối loại 50 mm
※ Thông thường, đó là khoảng từ vị trí gốc, vị trí mà cần đẩy tăng 0.1mm đến vị trí nó tăng lên 1.2mm.
Ví dụ ứng dụng


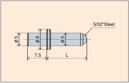
Đầu đo CG-3

CG-4
-
Dải đo:100~160mm
- Danh sách chiều dài chuôi (cung cấp theo yêu cầu)
| L=50 (mm) | L=100 (mm) | L=150 (mm) | L=200 (mm) | L=250 (mm) | L=300 (mm) | L=400 (mm) | L=500 (mm) | L=600 (mm) | L=700 (mm) | L=800 (mm) | L=900 (mm) | L=1000 (mm) | |
|---|---|---|---|---|---|---|---|---|---|---|---|---|---|
| CG-01 | ● | tiêu chuẩn | ● | ● | ● | ● | |||||||
| CG-1 | ● | ● | tiêu chuẩn | ● | ● | ● | ● | ● | |||||
| CG-2 | ● | ● | tiêu chuẩn | ● | ● | ● | ● | ● | ● | ● | ● | ● | ● |
| CG-3 | ● | ● | tiêu chuẩn | ● | ● | ● | ● | ● | ● | ● | ● | ● | ● |
| CG-3C | ● | ● | tiêu chuẩn | ● | ● | ● | ● | ● | ● | ● | ● | ● | ● |
| CG-4 | ● | ● | ● | ● | tiêu chuẩn | ● | ● | ● | ● | ● | ● | ● | ● |
| CG-5 | ● | ● | ● | ● | tiêu chuẩn | ● | ● | ● | ● | ● | ● | ● | ● |
| CG-6 | ● | ● | ● | ● | ● | ● | tiêu chuẩn | ● | ● | ● | ● | ● | ● |

Kích thước của đầu dò và vòng đệm
Đầu dò CC-1

| Mã sản phẩm | Kích thước (mm) | L(mm) |
|---|---|---|
| Đầu dò CC-1 |
18 | 2 |
| 20 | 4 | |
| 22 | 6 | |
| 24 | 8 | |
| 26 | 10 | |
| 28 | 12 | |
| 30 | 14 | |
| 32 | 16 | |
| 34 | 18 |
Đầu dò CC-2

| Mã sản phẩm | Kích thước (mm) | L(mm) |
|---|---|---|
| Đầu dò CC-2 |
35 | 5 |
| 40 | 10 | |
| 45 | 15 | |
| 50 | 20 | |
| 55 | 25 | |
| 60 | 30 |
Đầu dò CC-3・3C

| Mã sản phẩm | Kích thước (mm) | L(mm) |
|---|---|---|
| Đầu dò CC-3・3C |
50 | 5 |
| 55 | 10 | |
| 60 | 15 | |
| 65 | 20 | |
| 70 | 25 | |
| 75 | 30 | |
| 80 | 35 | |
| 85 | 40 | |
| 90 | 45 | |
| 95 | 50 | |
| 100 | 55 |
Đầu dò CC-4

| Mã sản phẩm | Kích thước (mm) | L(mm) |
|---|---|---|
| Đầu dò CC-4 |
100 | 10 |
| 110 | 20 | |
| 120 | 30 | |
| 130 | 40 | |
| 140 | 50 | |
| 150 | 60 | |
| 160 | 70 |
Đầu dò CC-5

| Mã sản phẩm | Kích thước (mm) | L(mm) |
|---|---|---|
| Đầu dò CC-5 |
160 | 10 |
| 170 | 20 | |
| 180 | 30 | |
| 190 | 40 | |
| 200 | 50 | |
| 210 | 60 | |
| 220 | 70 | |
| 230 | 80 | |
| 240 | 90 | |
| 250 | 100 |
Đầu dò CC-6

| Mã sản phẩm | Kích thước (mm) | L(mm) |
|---|---|---|
| Đầu dò CC-6 |
250 | 10 |
| 260 | 20 | |
| 270 | 30 | |
| 280 | 40 | |
| 290 | 50 | |
| 300 | 60 | |
| 310 | 70 | |
| 320 | 80 | |
| 330 | 90 | |
| 340 | 100 | |
| 350 | 110 | |
| 360 | 120 | |
| 370 | 130 | |
| 380 | 140 | |
| 390 | 150 | |
| 400 | 160 |
Vòng đệm CC-1~6

| Mã sản phẩm | T(mm) | A(mm) | B(mm) |
|---|---|---|---|
| CC-1 | 0.5,1 | 4.1 | 7 |
| CC-2 | 1,2,3 | 5.1 | 8 |
| CC-3・3C | 1,2,3 | 5.1 | 8 |
| CC-4 | 1,2,3,4 | 6.1 | 10 |
| CC-5 | 1,2,3,4 | 6.1 | 10 |
| CC-6 | 1,2,3,4 | 9.1 | 13 |
Cần tư vấn hoặc báo giá? Chuyên gia của chúng tôi phản hồi trong 2 giờ làm việc.
30 năm kinh nghiệm · Hơn 500 dòng thiết bị đo lường · Hỗ trợ kỹ thuật trọn vòng đời sản phẩm
1 / 1





