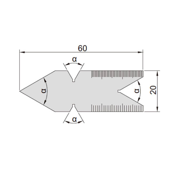
Dưỡng định tâm Insize 4810

- Để kiểm tra và thiết lập các công cụ cắt vít, kiểm tra góc và cao độ của ren vít
- Độ chính xác của góc: ± 30 phút.
- Làm bằng thép không gỉ

| Mã đặt hàng | Loại ren | Góc (α) | Độ phân giải |
|---|---|---|---|
| 4810-601 | METRIC 60° | 60° | 0.5mm và 1mm |
| 4810-602 | UNIFIED 60° | 60° | 1/14 và 1/20 ở mặt trước, 1/24 và 1/32 ở mặt sau |
| 4810-55 | WHITWORTH 55° | 55° | 1/14 và 1/20 ở mặt trước, 1/24 và 1/32 ở mặt sau |




