Đồng hồ so điện tử độ chính xác cao Insize 2133-101

- Dải đo: 12.7 mm/0.5″
- Độ chính xác: 1.5 µm
- Độ trễ: 1 µm
- Độ phân giải có thể điều chỉnh:
0.0002 mm/0.00001″
0.001 mm/0.00005″
0.01 mm/0.0005″ - Đầu đo bằng Ruby
- Không có gá lưng
- Vòng bi tuyến tính cho mười triệu lần sử dụng
- Bộ mã hóa tuyệt đối, dữ liệu gốc vẫn còn sau khi tắt nguồn
- Vạch chia trong bảng điện tử
- Có cổng xuất dữ liệu
- Chức năng: xuất dữ liệu, dung sai, cài trước dữ liệu, giữ dữ liệu, thay đổi hướng đo, max./min./TIR, thời gian tắt nguồn, on/off, mm/inch, điều chỉnh độ phân giải
- Nguồn: Pin sạc, cho 24h hoạt động liên tục

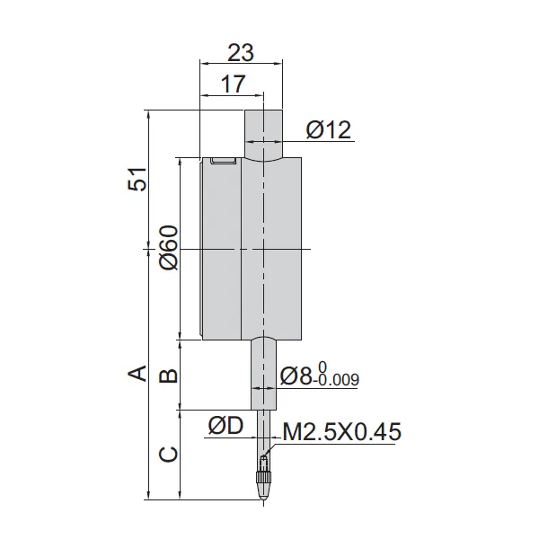
A=77.4 mm; B=26 mm; C=21.4 mm; D=4 mm




