Đồng hồ so cơ khí Mitutoyo loại kích thước lớn series 3
DÒNG SẢN PHẨM 3 – Mặt đồng hồ lớn và hành trình dài
- Đồng hồ so với mặt có độ phân giải
(78mm / 3.07 inch) đường kính lớn
để dễ đọc
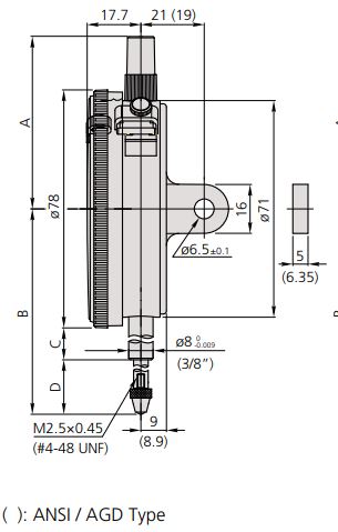
KÍCH THƯỚC VÀ TRỌNG LƯỢNG
| Mã đặt hàng | A | B | C | 10 |
|---|---|---|---|---|
| 3052S (B) -11 | 72.9 | 102.4 | 25.9 | 37.5 |
| 3058S (B) -11 | 81.9 | 147.1 | 50.6 | 57.5 |
| 3414S (B) | 51.3 | 73.4 | 12.6 | 21.8 |
| 3415S (B) | 51.3 | 73.4 | 12.6 | 21.8 |
| 3416S (B) | 51.3 | 86.1 | 12.6 | 34.5 |
| 3417S (B) | 51.3 | 86.1 | 12.6 | 34.5 |
| 3424S (B) -19 | 84 | 149.3 | 50.6 | 59.7 |
| 3426S (B) -19 | 120.9 | 198.1 | 73.9 | 85.2 |
| 3428S (B) -19 | 141.9 | 243.9 | 94.9 | 110.0 |
| 3802S (B) -10 | 61.2 | 59.7 | 12.6 | 8.1 |
| 3803S (B) -10 | 61.2 | 59.7 | 12.6 | 8.1 |
| 3046S (B) | 61.2 | 75.5 | 15.9 | 20.6 |
| 3047S (B) | 61.2 | 75.5 | 15.9 | 20.6 |
| 3050S (B) | 52.6 | 94.0 | 25.9 | 29.1 |
| 3052S (B) -19 | 72.9 | 104.3 | 25.9 | 39.4 |
| 3060S (B) -19 | 120.9 | 202.3 | 73.9 | 89.4 |
| 3062S (B) -19 | 141.9 | 243.3 | 94.9 | 109.4 |
| 3109S (B) -10 | 61.2 | 79.3 | 25.9 | 14.1 |




