Đồng hồ so cơ khí Mahr MarCator 28IN-RC 2011049

Đồng hồ so cơ khí Mahr MarCator 28IN-RC 2011049

LIÊN HỆ Vui lòng liên hệ để nhận báo giá phù hợp
Yêu cầu báo giá LIÊN HỆ ĐỂ CÓ GIÁ TỐT
Thanh toán an toàn
Hỗ trợ chuyên nghiệp
Đổi trả dễ dàng
Giao hàng tận nơi
  • Cấu trúc dễ dạng tháo rời giúp tiết kiệm thời gian sửa chữa, vệ sinh và bảo trì
  • Bánh răng được tôi cứng với gá đỡ bằng thép không gỉ giúp bảo vệ kim đo khỏ hư hỏng
  • Làm bằng hợp kim thép đặc biệt
  • Kim chỉ báo cân bằng giúp đọc giá trị đo chính xác hơn
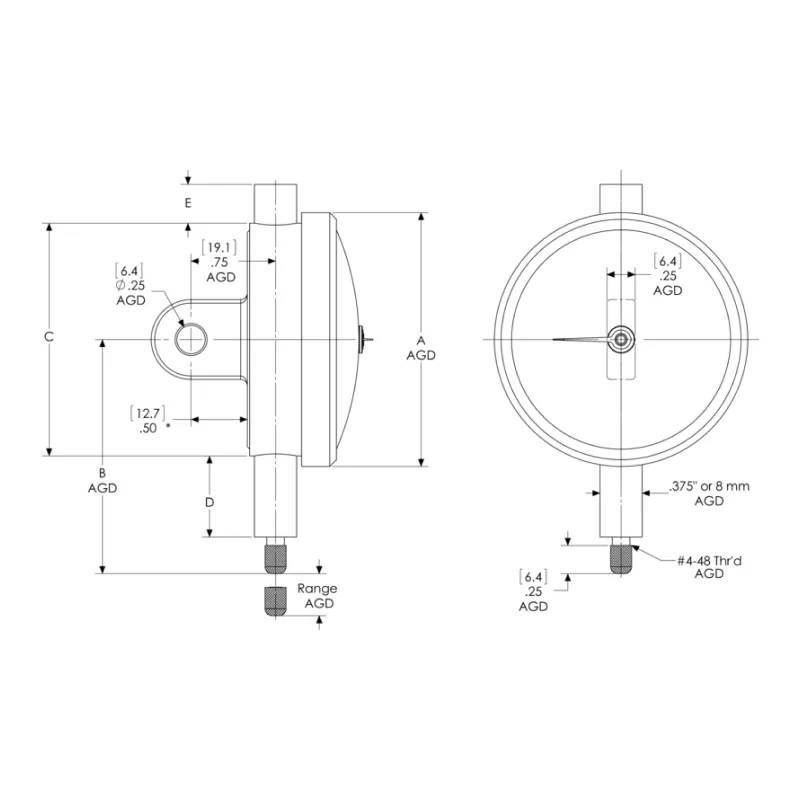
  • Dải đo: .250"
  • Tiêu chuẩn: ANSI
  • Độ chia: .001"
  • Mặt đồng hồ: 0-100
  • Độ xoay kim đo: .100"
  • Giới hạn sai số: ±.001"
  • Đường kính: 25"
  • Màu sắc mặt đồng hồ: xanh lá

Cần tư vấn hoặc báo giá? Chuyên gia của chúng tôi phản hồi trong 2 giờ làm việc.

30 năm kinh nghiệm · Hơn 500 dòng thiết bị đo lường · Hỗ trợ kỹ thuật trọn vòng đời sản phẩm