Đồng hồ so cơ khí loại nhỏ Mahr MarCator 803 S 4324000
Thông số kỹ thuật
| Mã đặt hàng | 4324000 |
|---|---|
| Dải đo | 3 mm |
| Vạch chia | 0.01 mm |
| Loại mặt đồng hồ | 0 – 50 |
| Dải đo mỗi vòng | 0.5 mm |
| Đường kính trục | 8 mm |
| Đường kính thang đo | 34 mm |
| Giới hạn sai số toàn dải đo | 10 μm |
| Giới hạn sai số / 1 vòng | 9 μm |
| Giới hạn sai số / 1/2 vòng | 8 μm |
| Giới hạn sai số / 1/10 vòng | 5 μm |
| Độ lặp lại fw | 3 μm |
| Độ trễ fu | 3 μm |
| Độ dịch chuyển | 0.1 mm |
| Lực đo | 0.7 – 1.1 N |
| Tiêu chuẩn | DIN 878 |
| Chống sốc | Có |
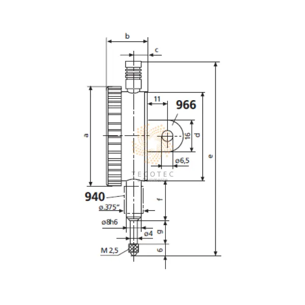
| Mã đặt hàng | a | b | c | d | e | f | g |
|---|---|---|---|---|---|---|---|
| mm | mm | mm | mm | mm | mm | mm | |
| 4324000 | 40 | 20.6 | 6.8 | 37 | 80 | 15.5 | 5.5 |





