
Đồng hồ so cơ khí hành trình dài Peacock 307S
- Được sử dụng phổ biến trong các nhà máy
- Cơ chế chống sốc
- Có gioăng chống nước và chống bụi
- Đầu tiếp xúc X-2
- Loại mặt đồng hồ nhỏ (φ57 mm)
- Có gá lưng
- Độ chia: 0.01 mm
- Dải đo: 30 mm
- Mặt đồng hồ: ±0-50-100
- Sai số 1/10 vòng đo: 10 μm
- Sai số 1/2 vòng đo: 12 μm
- Sai số 1 vòng đo: 15 μm
- Sai số toàn dải đo: 30 μm
- Sai số đường hồi: 7 μm
- Độ lặp lại: 5 μm
- Lực đo dưới 2.2z N
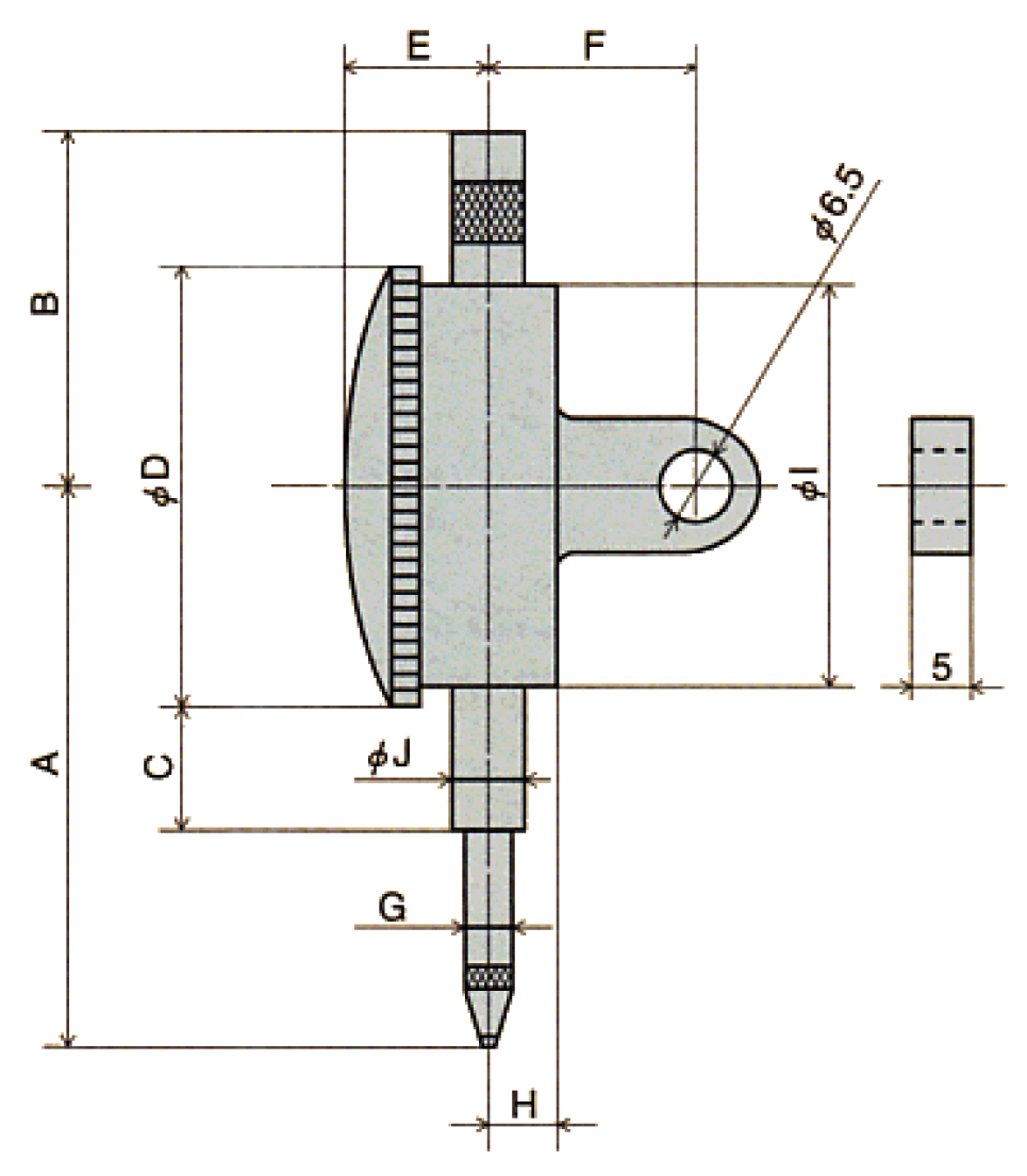
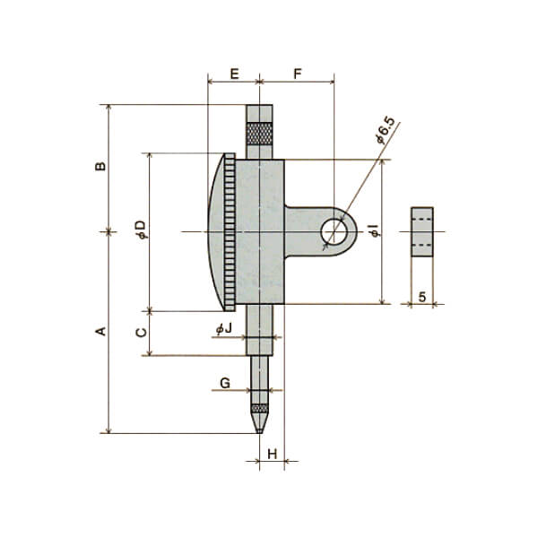
- Kích thước: A=107 mm; B=89 mm; C=22 mm; D=57 mm; E=17.5 mm; F=20 mm; G=5 mm; H=7 mm; I=52 mm; J=8 mm





