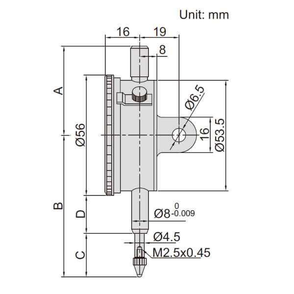
Đồng hồ so cơ khí độ chính xác cao Insize 2313-2A

- Dải đo: 2 mm
- Độ chia: 0.001 mm
- Độ chính xác: 6 µm
- Độ trễ: 2.5 µm
- Dải đo/vòng: 0.2 mm
- Mặt đồng hồ: 0-100-0
- Loại có gá lưng
- Được cung cấp với kim chỉ thị giới hạn và kẹp vòng xoay
- Phụ kiện tùy chọn: nắp lưng, đầu tiếp xúc




