Đồng hồ so chân gập MarTest 800 V


Ứng dụng:
- Đo độ đồng tâm, độ thẳng, độ song song và độ phẳng
- Đo tâm của lỗ và trục
- Căn chỉnh song song hoặc vuông góc của phôi
Thông số kỹ thuật
| Mã đặt hàng | 2015327 | 4302200 | |
|---|---|---|---|
| Loại sản phẩm | 800 V | ||
| Dải đo | mm | ± 0,4 | |
| Vạch chia | mm | 0,01 | |
| Đường kính mặt đồng hồ | mm | 28 | |
| Loại mặt đồng hồ | 40– 0– 40 | ||
| Màu sắc mặt đồng hồ | màu vàng | ||
| Lực đo | N | 0,2 | |
| Phạm vi mỗi vòng quay | mm | 0,8 | |
| Phạm vi sai số fe | µm | 10 | |
| Tổng phạm vi sai số fges | µm | 13 | |
| Độ trễ fu | µm | 3 | |
| Dải đo cục bộ ft | µm | 5 | |
| Độ lặp lại fw | µm | 3 | |
| Tiêu chuẩn | DIN 2270 | ||
| Bao gồm trong bộ | Thanh giữ HBTHER 2157, Kẹp CP bào 2199 | ||
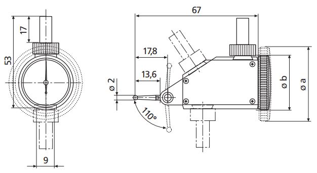
| Mã đặt hàng | b | Chiều dài đầu tiếp xúc |
|---|---|---|
| mm | mm | |
| 2015327 | 14,5 | |
| 4302200 | 30 | 14,5 |

Phụ kiện
| Mã đặt hàng | Mô tả sản phẩm | Loại sản phẩm |
|---|---|---|
| 4305870 | Đầu đo ø 1,0 mm, cacbua, l = 14,5 mm | 800 ts |
| 4305850 | Đầu đo ø 2,0 mm, cacbua, l = 14,5 mm | 800 ts |
| 4305871 | Đầu đo ø 3,0 mm, cacbua, l = 14,5 mm | 800 ts |
| 4309051 | Đầu đo ø 2,0 mm, Ruby, l = 14,5 mm | 800 tsr |
| 4305868 | Cờ lê |

Mã sản phẩm chân đồng hồ nằm dọc
- Mặt quay số tương phản cao, có gioăng chống nước
- Mặt kính bằng chất liệu kính khoáng để chống nước, chống trầy xước và kháng dung môi tối ưu
- Vỏ bảo vệ mạ crôm lì tích hợp với ba chuôi đuôi én
- Cơ chế đo chống sốc
- Sản phẩm không từ tính
- Tự động điều chỉnh để đảm bảo chạm đúng hướng với phôi đo
- Kết cấu vòng bi hai cấp
- Khớp ly hợp bảo vệ quá tải
- Kim đo mạ cacbua
- Trọn bộ bao gồm: Vỏ, Hướng dẫn sử dụng, Cờ lê, Đầu đo đường kính. ø 2 mm, Chuôi 800a8


