Mô tả
Đồng hồ đo sâu ABSOLUTE Mitutoyo
DÒNG SẢN PHẨM 547, 7
TÍNH NĂNG
- Thước đo sâu điện tử Absolute có thể theo dõi điểm ban đầu, cho toàn bộ tuổi thọ của pin sau khi được thiết lập. (Dòng sản phẩm 547)
- Dải đo đầu dò rộng có sẵn với thanh nối dài được cung cấp.
- Bề mặt dưới cùng của đế được tôi cứng, mặt đất và được phủ lên cho mức độ cao nhất của độ phẳng.
- Được thiết kế với mặt số kiểu pit tông phía sau đồng hồ so cơ khí có vạch chia hướng lên trên. (7231, 7237, 7238)
- Với đầu ra dữ liệu SPC. (Dòng sản phẩm 547)
THÔNG SỐ KỸ THUẬT
Hệ mét
Mã sản phẩm điện tử
| Dải đo | Mã đặt hàng | Độ phân giải | Hành trình | Độ chính xác | Thanh mở rộng | Đế (WxT) | Độ phẳng |
|---|---|---|---|---|---|---|---|
| 0 – 200mm | 547-211 | 0.01mm | 12mm | ±0.02mm | 5 chiếc (10, 20, 30, 30, 100mm) | 63.5x16mm | 5µm |
| 0 – 200mm | 547-212 | 0.01mm | 12mm | ±0.02mm | 5 chiếc (10, 20, 30, 30, 100mm) | 101.6x16mm | 5µm |
| 0 – 200mm | 547-251 | 0.001mm | 12mm | ±0.005mm | 5 chiếc (10, 20, 30, 30, 100mm) | 63.5x16mm | 2µm |
| 0 – 200mm | 547-252 | 0.001mm | 12mm | ±0.005mm | 5 chiếc (10, 20, 30, 30, 100mm) | 101.6x16mm | 2µm |
Inch/Metric
| Dải đo | Mã đặt hàng | Độ phân giải | Hành trình | Độ chính xác | Thanh mở rộng | Đế (WxT) | Độ phẳng |
|---|---|---|---|---|---|---|---|
| 0 – 8″ / 0-200mm | 547-217S | .0005″ / 0.01mm | .5″ | ±.001″ | 4 chiếc (.5″, 1″, 2″, 4″) | 2.5″x.63″ | .0002″ |
| 0 – 8″ / 0-200mm | 547-218S | .0005″ / 0.01mm | .5″ | ±.001″ | 4 chiếc (.5″, 1″, 2″, 4″) | 4″x.63″ | .0002″ |
| 0 – 8″ / 0-200mm | 547-257S | .00005″ / 0.001mm | .5″ | ±.0003″ | 4 chiếc (.5″, 1″, 2″, 4″) | 2.5″x.63″ | .00008″ |
| 0 – 8″ / 0-200mm | 547-258S | .00005″ / 0.001mm | .5″ | ±.0003″ | 4 chiếc (.5″, 1″, 2″, 4″) | 4″x.63″ | .00008″ |
Hệ mét
| Dải đo | Mã đặt hàng | Độ phân giải | Hành trình | Độ chính xác | Thanh mở rộng | Đế (WxT) | Độ phẳng |
|---|---|---|---|---|---|---|---|
| 0 – 10mm | 7210* | 0.01mm | 10mm | ±0.015mm | ––––– | 40x16mm, | 5µm |
| 0 – 200mm | 7211 | 0.01mm | 10mm | ±0.015mm | 5 chiếc (10, 20, 30, 30, 100mm) | 63.5x16mm | 5µm |
| 0 – 200mm | 7212 | 0.01mm | 10mm | ±0.015mm | 5 chiếc (10, 20, 30, 30, 100mm) | 101.6x16mm | 5µm |
| 0 – 210mm | 7213 | 0.01mm | 30mm | ±0.03mm | 3 chiếc (30, 60, 90mm) | 63.5x16mm | 5µm |
| 0 – 210mm | 7214 | 0.01mm | 30mm | ±0.03mm | 3 chiếc (30, 60, 90mm) | 101.6x16mm | 5µm |
| 0 – 200mm | 7220 | 0.01mm | 10mm | ±0.015mm | 5 chiếc (10, 20, 30, 30, 100mm) | 100x18mm | 5µm |
| 0 – 200mm | 7221 | 0.01mm | 10mm | ±0.015mm | 5 chiếc (10, 20, 30, 30, 100mm) | 150x18mm | 5µm |
| 0 – 10mm | 7222* | 0.01mm | 10mm | ±0.015mm | 5 chiếc (10, 20, 30, 30, 100mm) | ø16mm | 5µm |
| 0 – 10mm | 7223 | 0.01mm | 10mm | ±0.015mm | 5 chiếc (10, 20, 30, 30, 100mm) | ø25mm | 5µm |
| 0 – 10mm | 7224 | 0.01mm | 10mm | ±0.015mm | 5 chiếc (10, 20, 30, 30, 100mm) | ø40mm | 5µm |
| 0 – 200mm | 7231 | 0.01mm | 5mm | ±0.015mm | 5 chiếc (10, 20, 30, 30, 100mm) | 63.5x16mm | 5µm |
* với đầu dò kim
Inch
| Dải đo | Mã đặt hàng | Độ phân giải | Hành trình | Độ chính xác | Thanh mở rộng | Đế (WxT) | Độ phẳng |
|---|---|---|---|---|---|---|---|
| 0 – 8″ | 7217S | .001″ | 1″ | ±.002″ | 4 chiếc (.5″, 1″, 2″, 4″) | 2.5″x.63″ | .0002″ |
| 0 – 8″ | 7218S | .001″ | 1″ | ±.002″ | 4 chiếc (.5″, 1″, 2″, 4″) | 4″x.63″ | .0002″ |
| 0 – 8″ | 7237T | .001″ | .2″ | ±.002″ | 4 chiếc (.5″, 1″, 2″, 4″) | 2.5″x.63″ | .0002″ |
| 0 – 8″ | 7238T | .001″ | .2″ | ±.002″ | 4 chiếc (.5″, 1″, 2″, 4″) | 4″x.63″ | .0002″ |
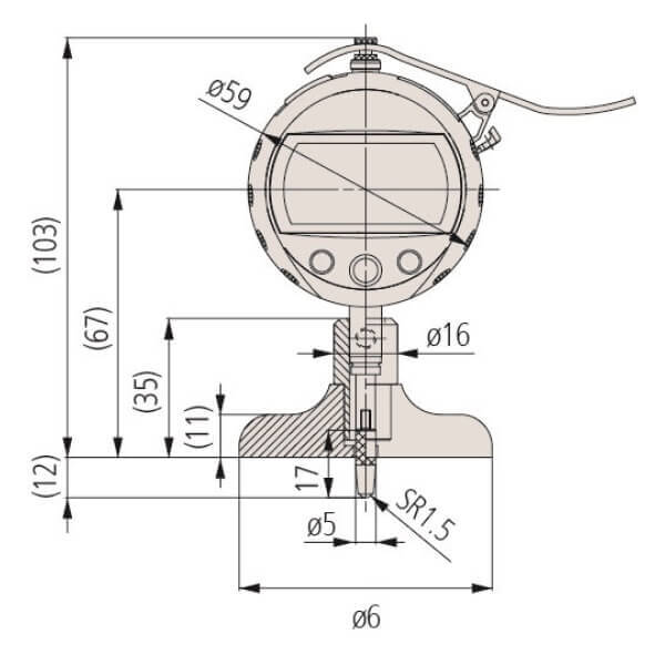
KÍCH THƯỚC
Thông số kỹ thuật
- Độ chính xác:Tham khảo danh sách các thông số kỹ thuật
- Độ phân giải*:.0005 ”/0,01mm hoặc 0,001mm, 0,01mm, 00005″;/0.001mm
- Độ phân giải**:.001 ”hoặc 0,01mm
- Vạch chia đồng hồ **:.001 ”hoặc 0,01mm
- Độ phẳng của mặt đế:5µm
- Đầu tiếp xúc:Đầu bi hoặc mũi kim có phủ cacbua (7210, 7222)
- Lực đo:1.4N, 1.5N (kiểu điện tử), 2.5N (7213, 7214, 7217S, 7218S)
- Trưng bày*:LCD
- Pin*:SR44 (1 chiếc), 938882
- Tuổi thọ pin*:Xấp xỉ. 3,5 năm nếu sử dụng bình thường
* Mã sản phẩm điện tử ** Mã sản phẩm đồng hồ
Thông số kỹ thuật của Mã sản phẩm đồng hồ
- Độ chính xác:Tham khảo danh sách các thông số kỹ thuật
- Vạch chia đồng hồ:001 ”hoặc 0,01mm
- Độ phẳng của mặt đế:5µm hoặc 2µm
- Đầu tiếp xúc:Đầu bi có phủ cacbua ( đầu kim: 7210, 7222)
- Lực đo:1.4N (2.5N: 7213, 7214, 7217S, 7218S)
Chức năng của mã sản phẩm điện tử
- Cảnh báo:Điện áp thấp, lỗi đếm thành phần giá trị
- Cài đặt gốc, Cài đặt 0, Giữ dữ liệu, Dữ liệu đầu ra, chuyển đổi inch/mét (chỉ cho mẫu inch/mét)
</ul class=”list-unstyled block-2col”;>
Phụ kiện tùy chọn
905338
- Cáp SPC (40” / 1m)
905409:
- Cáp SPC (80” / 2m)
139167:
- .Cần đo mở rộng 5”
301655:
- Cần đo mở rộng 1”
301657:
- Cần đo mở rộng 2”
301659:
- Cần đo mở rộng 4”
303611:
- Cần đo mở rộng 10mm
303612:
- Cần đo mở rộng 20mm
303613:
- Cần đo mở rộng 30mm
303614:
- Cần đo mở rộng 100mm
Chỉ mỗi đế (Đường kính lỗ 3/8”)
| Phần | Số | chiều dài ghi chú |
|---|---|---|
| 902164: | 2.5” | 7217S, 7237, 547-217S, 547-257S |
| 902165: | 4” | 7218S, 7238, 547-218S, 547-258S |

