Mô tả
Đế từ Mitutoyo SERIES 7
SERIES 7
- Đế từ Mitutoyo tương thích với tất cả các loại đồng hồ so cơ khí và chân gập. Công tắc On-Off hỗ trợ cho việc lắp đặt và tháo dỡ mà không có bất kỳ ảnh hưởng xấu nào cho đồng hồ so hoặc bề mặt phôi.
Thông số kỹ thuật
| Bộ số | Mô tả | Đường kính trục chính tương thích | Rãnh đuôi én | Ghi chú |
|---|---|---|---|---|
| 7010S | Đế từ | ø8mm*, ø9.53mm (3/8”) | — | 2804S-10, 7010S |
| 7011BN | Đế từ | ø6mm, ø8mm*, ø9.53mm (3/8”) | — | Có vít tinh chỉnh |
| 7011S-10 | Đế từ | ø4mm, ø8mm, ø9.53mm (3/8”) | — | Có vít tinh chỉnh |
| 7012-10 | Đế từ đa khớp | ø6mm, ø8mm*, ø9.53mm (3/8”) | — | Dành cho đồng hồ so chân gập cơ khí |
| 7014-10 | Đế từ loại nhỏ | ø6mm, ø8mm | Có cung cấp | Không có công tắc nam châm ON/OFF |
| 7014E-10 | Đế từ loại nhỏ | ø6mm, ø8mm*, ø9.53mm (3/8”) | Có cung cấp | Không có công tắc nam châm ON/OFF |
| 7031B | Đế từ vạn năng | ø6mm, ø8mm, ø9.53mm (3/8”) | Có cung cấp | Có hệ thống khóa cơ |
| 7032B | Đế từ vạn năng | ø6mm, ø8mm, ø9.53mm (3/8”) | Có cung cấp | Có hệ thống khóa cơ |
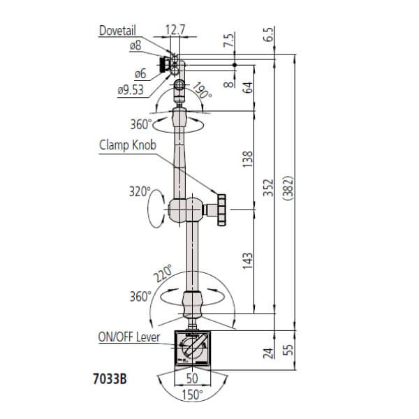
| 7033B | Đế từ vạn năng | ø6mm, ø8mm, ø9.53mm (3/8”) | Có cung cấp | Có hệ thống khóa cơ |
*Có cung cấp khớp 02AZC291



