Mô tả
Đế gá MarStand OMI-NB–60 / OMI-NB-61
Ứng dụng:
- Đo chiều dài mà không có bàn ép và vít tinh chỉnh

Thông số kỹ thuật
| Mã đặt hàng | 2054324 | 2054325 | |
|---|---|---|---|
| Loại sản phẩm | OMI-NBIP 60 | OMI-NBIP 61 | |
| Phạm vi đo a | mm | 0-200 | |
| Phạm vi đo a | inch | 0-8.0inch | |
| Vít tinh chỉnh | sai | • | |
| Dải chỉnh tinh | mm | 1,5 | |
| Dải chỉnh tinh | inch | .06 inch | |
| Tay đo (tối đa) | mm | 124 | |
| Gắn | Gá lưng -Yêu cầu Đồng hồ so có gá lưng ngang hoặc Phụ kiện | ||
| Mã đặt hàng | Đường kính trục chính | Bàn đế (A x B) mm |
|---|---|---|
| mm | ||
| 2054324 | 32 | 238 x 165 mm |
| 2054325 | 32 | 238 x 165 mm |
Phụ kiện
| Mã đặt hàng | Tên sản phẩm | Loại sản phẩm |
|---|---|---|
| 2223500 | Tấm đo, có răng cưa, 152 mm x 203 mm / 6inch x 8inch | PL-147 |
| 2223599 | Tấm đo, có răng cưa, 114 mm x 152 mm / 4,5 inch x 6 inch | PL-99 |
| 2202460 | Cánh tay điều chỉnh tốt | AM-147 |
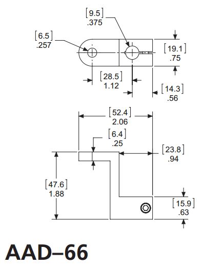
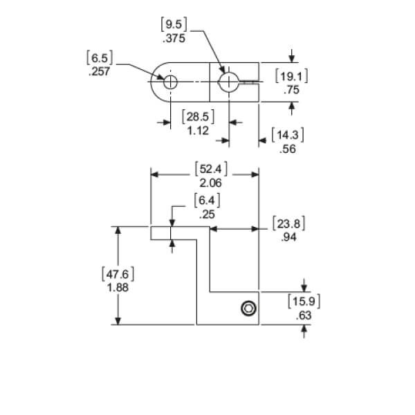
| 2009177 | Bộ chuyển đổi, giá đỡ, giá đỡ L có lỗ 0,375 inch | AAD-66 |

- Mã sản phẩm NB-60 và NB-61 có đế lớn nhất và độ sâu họng lớn nhất
- Tay đo có hai loại có/không có vít tinh chỉnh
- Chân đế có nền được khoan lỗ ren 1/4-20 để gá trụ hoặc chi tiết đặc biệt
- Chỉ những thiết bị đồng hồ so có gá lưng nằm ngang mới có thể được sử dụng
- Trọn bộ bao gồm: không bao gồm đồng hồ so, không có tấm đế

