Đế gá đồng hồ so với chân đế tam giác MarStand 815 GN
Ứng dụng:
- Để sử dụng trên các tấm đo tấm điều khiển

Thông số kỹ thuật
| Mã đặt hàng | 4413000 | 4413001 | 4413005 | 4413050 | 4413051 | 4413052 | |
|---|---|---|---|---|---|---|---|
| Loại sản phẩm | 815 GN | ||||||
| Dải chỉnh tinh | mm | 2 | |||||
| Tổng chiều cao | mm | 300 | 500 | 750 | 300 | 500 | 750 |
| Tổng chiều cao | inch | 12 inch | 20 inch | 30 inch | 12 inch | 20 inch | 30 inch |
| Tay đo (tối đa) | mm | 185 | 200 | 230 | 185 | 200 | 230 |
| Tay đo (tối đa) | inch | 7,28 inch | 7,87 inch | 9.06 inch | 7,28 inch | 7,87 inch | 9.06 inch |
| Lỗ gắn | 8H7 | .375 inch | |||||
| Trọng lượng sản phẩm | Kilôgam | 4,20 | 9,00 | 10,00 | 4,20 | 9,00 | 10,00 |
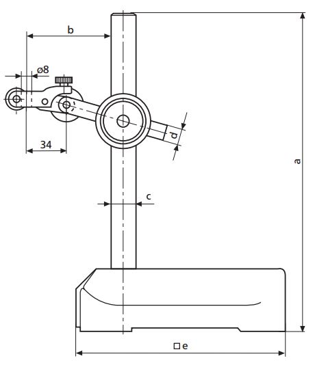
| Mã đặt hàng | Bề mặt chân đế | a | b | c | d |
|---|---|---|---|---|---|
| mm | mm | mm | mm | ||
| 4413000 | 150 x 150 mm | 300 | 185 | 18 | 14 |
| 4413001 | 190 x 180 mm | 500 | 200 | 0 –25 | 18 |
| 4413005 | 190 x 180 mm | 750 | 230 | 35 | 0 –25 |
| 4413050 | 150 x 150 mm | 300 | 185 | 18 | 14 |
| 4413051 | 190 x 180 mm | 500 | 200 | 0 –25 | 18 |
| 4413052 | 190 x 180 mm | 750 | 230 | 35 | 0 –25 |

Đế gá đồng hồ so với chân đế
- Chân đế vững chắc tạo nên sự ổn định và dài lâu
- Tay cầm thuận tiện ở phía trên của đế
- Cấu trúc chắc chắn với đế ba
- Cột và Tay đo làm từ thép không gỉ
- Vít tinh chỉnh gắn ở tay đo
- Thiết bị hiển thị có thể được xoay ± 90°
- Dễ dàng di chuyển, không rung
- Mặt trước của phần đế phẳng cho phép di chuyển dọc theo các cạnh và thước
- Trọn bộ bao gồm: không bao gồm đồng hồ so




